Вернуться: 2023-01-09
3-dimensional coordinate type joystick
Potentiometer incorporated type
Hall effect joystick

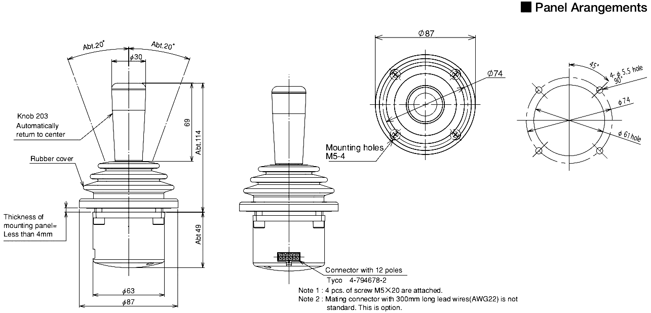
Controlling range of operating lever
2 dimensional coordinate type, X and Y directions : Approx.±20° from center position.
Operating force
Spring return device with directive feeling: Automatically return to center, X and Y directions : Approx. 3N~4.5N(300~450gf)
Operating temperature range
-20℃~+60℃
Vibration
10~55HZ,98m/s2
Shock
294m/s2
Mechanical life expectancy
Approx. 5,000,000 operations
Mass
Approx. 300 g
Type
Hall effect IC type resistive element incorporated
Applied voltage
5V±10%
Effective output
0.5V~4.5V
Electrical rotating angle
Approx.±20°
Independent linearity tolerance
±3%
Load resistance
>10KΩ
Dielectric strength
1 minute at 500 V. A.C.
Insulation resistance
>1000MΩ(500V.D.C)
EMS durability
100V/m (80MHz~1GHz 1kHz sine-wave 80%AM modulation)
ESD durability
±8kV contact ±15kV aerial discharge (Based on IEC61000-4-2)