Time: 2024-04-25
Magnetic encoders
Any PPR up to 4096 available
Economy version
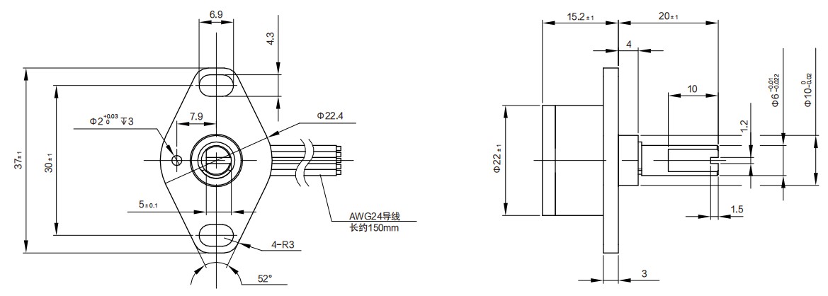
Flange mount

Protection degree
IP54
Operating torque
<5mN·m
Max.speed
<1500rpm
Life expectancy
50,000,000
Mass
Approx.20g
Housing material
Anodized aluminium alloy
Shaft material
Stainless steel
Operating temperature range
-30℃~+125℃
Storage temperature range
-30℃~+125℃
Standard model
EI22A-F1
Applied voltage
3.3V-5V
Output high level
>VDD-0.5V
Output low level
<0.5V
Output form
Push-pull output
Number of output pulse
4096 ppr max.
Mechanical angle
360° (Endless)
Output propagation delay
<10μs
Current consumption (no-load)
<28mA
Insulation resistance
> 1000MΩ (500V.D.C)
Dielectric strength
1 min (500V.A.C)
EMS durability
10V/m (80MHz~1GHz 1kHz sine-wave 80%AM modulation)
ESD durability
±8KV contact ±15KV aerial discharge (Based on IEC61000-4-2)
Special shaft
Special length of shaft、special diameter or special machining on shaft (like shaft slotted、flatted etc.)